| Set CAD-format |
|---|
Preview
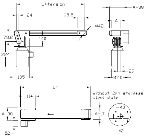
Efficient conveyor designed with widths ranging from 40mm to 400mm, featuring an end drive with a motor positioned below.
Configurated product data
Nothing generated yet
You must configurate your product below before requesting quote| Set CAD-format |
|---|
Preview

