| Set CAD-format |
|---|
Preview
KE3, equipped with a double ball rail and ball screw, ensures precision and repeatability. Boasts stiffness and feed force. Motor assembly options upon request.
Configurated product data
Nothing generated yet
You must configurate your product below before requesting quote| Set CAD-format |
|---|
Preview

Compact module |
Maximum permissable load [kN] |
Maximum permissable torque [nm] |
||||||||
| Type | static | Dynamic | Static | Dynamic | ||||||
| Cy1 0.12 1.2 | Cy1 1.2 | Cy 2 1.2 | Cy2 1.2 | Mx | My | Mz | Mx | My | Mz | |
| KE1.2...R... | 11.12 | 11.2 | 6.5 | 6.5 | 275 | 60 | 60 | 158 | 35 | 35 |
| KE1.4...R... | 22.5 | 22.5 | 13.0 | 13.0 | 550 | 330 | 330 | 316 | 210 | 210 |
| KE2.2...R... | 35.0 | 35.0 | 18.0 | 18.0 | 1064 | 204 | 204 | 590 | 226 | 226 |
| KE2.4...R... | 70.0 | 70.0 | 36.0 | 36.0 | 2129 | 1400 | 1392 | 1180 | 1180 | 1180 |
| KE3.2...R... | 59.9 | 59.9 | 34.2 | 34.2 | 2427 | 266 | 266 | 1507 | 202 | 202 |
| KE3.4...R... | 119.9 | 119.9 | 68.4 | 68.4 | 4854 | 2100 | 2100 | 3014 | 2044 | 2044 |


| Normal Size | Dimensions [mm] | No. of teeth | Max. | Belt length | Weigth | |||||||
| i | E | F | G* | H | K | Lg | Zm | Zke | Ødw | mm | kg | |
| KE1... | 1:1 | 90.5...104(92.5) | 80 | 41 | 21 | 39 | 180 | 28 | 28 | Ø16 | 325 | 0.860 |
| 1:1.5 | 90.5...104(99.4) | 80 | 41 | 21 | 39 | 180 | 28 | 42 | Ø16 | 375 | 0.990 | |
| 1:2 | 90.5...104(94.8) | 80 | 41 | 21 | 39 | 180 | 21 | 42 | Ø10 | 350 | 0.980 | |
| KE2... | 1:1 | 130...135(132.5) | 100 | 43 | 43 | 46 | 247 | 32 | 32 | Ø19 | 425 | 1.600 |
| 1:1.5 | 131...139(135) | 100 | 43 | 43 | 46 | 247 | 32 | 48 | Ø19 | 475 | 1.800 | |
| 1:2 | 131.5...135.5(133.5) | 100 | 43 | 43 | 46 | 247 | 24 | 48 | Ø12 | 450 | 1.700 | |
| KE3... | 1:1 | 130...135(132.5) | 100 | 43 | 54 | 46 | 247 | 32 | 32 | Ø19 | 425 | 1.600 |
| 1:1.5 | 131...139(135) | 100 | 43 | 54 | 46 | 247 | 32 | 48 | Ø19 | 475 | 1.800 | |
| 1:2 | 131.5...135.5(133.5) | 100 | 43 | 54 | 46 | 247 | 24 | 48 | Ø12 | 450 | 1.700 | |

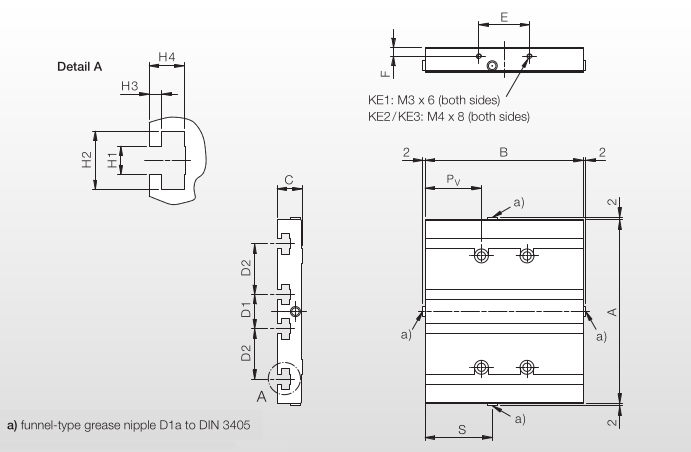
| Art. No | Nominal Size | Dimensions | Weight | ||||||||||||
| A | B | C | D1 | D2 | E | F | H1 | H2 | H3 | H4 | Pv | S | Kg | ||
| KE1.2 plate | KE1.2... | 90 | 60 | 16 | 20 | 20 | 30 | 8.5 | 6 | 12.0 | 3.5 | 7.7. | 16.5 | 37.00 | 0.183 |
| KE2.2 plate | KE2.2... | 110 | 60 | 16 | 20 | 20 | 40 | 7 | 6 | 12.0 | 3.5 | 7.7 | 15 | 37.5 | 0.213 |
| KE3.2 plate | KE3.2... | 145 | 125 | 20 | 27 | 40 | 40 | 7 | 8 | 16.5 | 3.5 | 9.8 | 44.5 | 53.0 | 0.727 |

| Art. No | Nominal Size | Dimensions | Weight | ||||||||||||
| A | B | C | D1 | D2 | E | F | H1 | H2 | H3 | H4 | Pv | S | Kg | ||
| KE1.4.plate | KE1.4... | 90 | 125 | 16 | 20 | 20 | 30 | 8.5 | 6 | 12.0 | 3.5 | 7.7. | 16.5 | 25.7 | 0.385 |
| KE2.4.plate | KE2.4... | 110 | 155 | 16 | 20 | 20 | 40 | 7 | 6 | 12.0 | 3.5 | 7.7 | 20 | 35.00 | 0.565 |
| KE3.4.plate | KE3.4... | 145 | 190 | 20 | 27 | 40 | 40 | 7 | 8 | 16.5 | 3.5 | 9.8 | 27 | 59.5 | 1.100 |

| Art. No | Nominal Size | Dimensions | Weight | ||||||||||
| Type | A | B | C | D | E | F | G* | H | J | K | Kg | ||
| SPKE2 | KE1... | Ι | 35 | 7.5 | 20 | 7.6 | 2.6 | 14.5 | 11 | 5 | Ø8 | Ø4.5 | 0.021 |
| SPKE2 | KE1... | ΙΙ | 80 | 10 | 20 | 7.6 | 2.6 | 14.5 | 11 | 5 | Ø8 | Ø4.5 | 0.048 |
| SPKE3 | KE2/3... | Ι | 60 | 10 | 40 | 10.5 | 4.5 | 19.5 | 15 | 7 | Ø 11 | Ø 6.5 | 0.072 |
| SPKE3 | KE2/3... | ΙΙ | 80 | 10 | 20 | 10.5 | 4.5 | 19.5 | 15 | 7 | Ø 11 | Ø 6.5 | 0.118 |

Normal Size |
Dimensions |
||||
| Designation | L (with buffer) mm | Lm mm | Length ball screw mm | length protective ribbon mm | Weight kg |
| KE3.2...AR...P | Stroke + 205 | L - 79 | L + 17 | 2 x Stroke + 415 | 5.49kg + 1.232 kg/100 mm stroke |
| KE3.4...AR...P | Stroke + 305 | L - 79 | L + 17 | 2 x Stroke + 468 | 7.71 kg + 1.232 kg/100 mm Stroke |