| Set CAD-format |
|---|
Preview
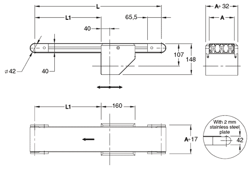
Versatile conveyor designed for all types of parts, available in widths of 40mm, 80mm, 120mm, 160mm, 200mm, 250mm, 300mm, and 400mm, equipped with a central drive system.
Configurated product data
Nothing generated yet
You must configurate your product below before requesting quote| Set CAD-format |
|---|
Preview

