| Indstil CAD-format |
|---|
Forhåndsvisning
Vores nye kraftfulde remdrevne lineære enhed med dobbelte 30 skinner og 4 skinnestyringsvogne. Velegnet til at flytte vægte op til ca. 200 kg. Hastighed max 3m/sek
Konfigurerede produktdata
Intet genereret endnu
Du skal konfigurere dit produkt nedenfor, før du anmoder om tilbud| Indstil CAD-format |
|---|
Forhåndsvisning
| Lineært modul | Vogn & Bælte | Belastningsgrad statisk [kN] | Statisk drejningsmoment [Nm] | ||||||
| Type | Cy (KN) | Cz+ (KN) | CZ- (KN) | Mx0 (Nm) | My0 (Nm) | My0 (Nm) | My0 (Nm) | My0 (Nm) | |
| Bordets længde | 300 mm | 400 mm | 500 mm | 600 mm | |||||
| FKR30-50 | MSA30S | 138.6 | 220 | 165 | 12870 | 15650 | 24530 | 34750 | 46520 |
| Remdrevet | GT8-50mm | GT8-50mm | GT8-50mm | Mz0 (Nm) | Mz0 (Nm) | Mz0 (Nm) | Mz0 (Nm) | ||
|
Rec. Load On Vogn
|
150 kg | 150 kg | 150 kg | 14000 | 20900 | 27800 | 34800 | ||
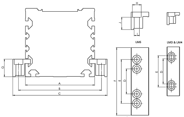
| Art. nr. | A | B | C | D | E | F | G | H | I | J |
| SPLM32R/KGT | 65 | 81 | 95 | 40 | 50 | 78 | 19.5 | 11 | 6.5 | 13.2 |
| SPLM42R/KGT | 80 | 96 | 110 | 40 | 50 | 78 | 23.0 | 11 | 6.5 | 16.7 |
| SPLM52R/KGT | 110 | 132 | 150 | 40 | 70 | 108 | 28.0 | 14 | 8.5 | 19.7 |

